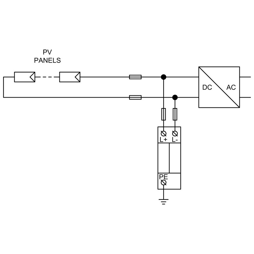
Bảo vệ DC được xây dựng có mục đích cho các mảng PV.
Các bộ bắt giữ Surge loại 2 này bảo vệ các chuỗi PV, thanh bus và đầu vào biến tần khỏi quá áp tạm thời gây ra bởi các sự kiện sét hoặc hoạt động chuyển đổi. Họ đảm bảo liên kết trên cả hai thanh BV tích cực và tiêu cực và giúp duy trì thời gian hoạt động của hệ thống trên tất cả các cấp độ bảo vệ sét (LPL ITHER IV).
Kết nối U hoặc Y, chọn những gì thiết kế của bạn cần.
U Kết nối: Cấu trúc liên kết bảo vệ thông thường cho các mạch PV DC.
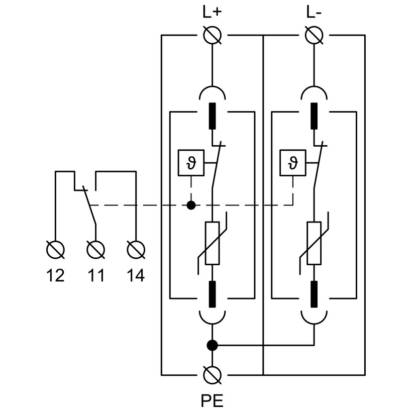
Kết nối y: Các biến thể được sắp xếp theo PE để các dây dẫn làm việc vẫn có khả năng chống trái đất và không có dòng điện còn lại (rò rỉ) thông qua dây dẫn PE, cải thiện hành vi EMC và giảm thiểu các đường dẫn gây phiền nhiễu.
Tích hợp an toàn, không có cầu chì dự phòng cần thiết.
Các lĩnh vực khác nhau giữa L+, L- và PE đều được trang bị ngắt kết nối nhiệt bên trong. Khi một biến thể đạt đến cuối đời (quá nóng), các chuyến đi ngắt kết nối, rõ ràng chỉ ra một lỗi và làm gián đoạn dòng DC. Nhờ cấu trúc đặc biệt của họ, những người bắt giữ này có thể được cài đặt mà không cần một cầu chì dự phòng riêng (có thể phối hợp hệ thống).
Triển khai linh hoạt có hoặc không có LPS bên ngoài.
Cài đặt ở phía DC của các hệ thống PV mà không có Hệ thống chống sét bên ngoài (LPS) hoặc với LPS khi khoảng cách phân tách cần thiết. Điều này hỗ trợ tích hợp an toàn trong các bản dựng và trang bị thêm mới.
Tùy chọn dịch vụ và giám sát.
M Chỉ báo: Phiên bản với mô-đun bảo vệ có thể tháo rời (plug-in) để thay thế nhanh.
Chỉ định S: Phiên bản có liên hệ giám sát từ xa để báo hiệu trạng thái đến rơle SCADA/PLC/báo động.
Các ứng dụng điển hình
Chuỗi PV, hộp Combiner/Re-Combiner và đầu vào DC biến tần
Cài đặt PV quy mô tiện ích, thương mại & công nghiệp và trên sân thượng
Các trang web có hoặc không có LP bên ngoài trong đó khoảng cách tách biệt
Các tính năng chính trong nháy mắt
Bộ kiểm tra đột biến loại 2 cho các hệ thống PV DC (kết nối U hoặc Y)
Y kết nối lợi thế: Các dây dẫn làm việc chống trái đất và không rò rỉ PE
Ngắt kết nối nhiệt bên trong trên các đường dẫn biến thể (L+, L-, PE)
DC gián đoạn hiện tại về lỗi; Không cần cầu chì dự phòng
Thích hợp cho tất cả các cấp LPL; Hỗ trợ liên kết đẳng thế
M = mô -đun có thể tháo rời; S = liên hệ giám sát từ xa

